| Sign In | Join Free | My chinacomputerparts.com |
|
Brand Name : TOBO
Model Number : UNS S31254 / ASTM A182 F44 / 254SMO / 1.4547
Certification : SGS/BV/ABS/LR/TUV/DNV/BIS/API/PED
Place of Origin : CHINA
MOQ : 3PCS
Price : Negotiation
Payment Terms : T/T, L/C, Western Union
Supply Ability : 9980000PCS Per Month
Delivery Time : 30Days
Packaging Details : butt welding pipe fitting commonly should be shipped in wooden cases, wooden pallets or as per customers request
Name : Reducer tee / stub end Cap
Size : 1/2’’~48’’(Seamless);16’’~72’’(Welded)
Wall thickness : Sch5~Sch160\XXS
Reducer tee / stub end Cap But Weld Fittings UNS S31254 / ASTM A182 F44 / 254SMO / 1.4547 1/2” To 60” SCH10S To SCH160
UNS S31254 Stainless Steel
PDF datasheet
UNS S31254 stainless steel stockholders and suppliers TOBOGROUP suppliers of UNS S31254, a high molybdenum austenitic stainless steel specification. Its high molybdenum content combined with elements such as nickel and copper gives UNS S31254 excellent resistance to pitting and crevice corrosion. In acids containing halides it offers good resistance to uniform corrosion and is superior to other austenitic stainless steel grades.
We welcome export enquiries for stainless steel. Contact our sales office and consult our shipping policy for further details.
Related Specifications
6 Mo 31254 254SMO F44 1.4547 ASTM A182
ASTM A479 ASTM A276 EN10272 ASME SA479
Analysis
Carbon 0.02% max Chromium 19.50-20.50%
Manganese 1.00% max Nickel 17.50-18.50%
Silicon 0.70% max Molybdenum 6.00-7.00%
Phosphorous 0.03% max Copper 0.50-1.00%
Sulphur 0.01% max Nitrogen 0.18-0.25%
Form of Supply
TOBOGROUP are UNS S31254 stainless steel suppliers and stockholders of round bar. Diameters can be supplied sawn to your requirements. UNS S31254 plate can be plasma cut to size. Ground bar can be supplied, providing a high quality precision ground bar to your close tolerances.
Sheet Plate Diameter
Applications
UNS S31254 stainless steel is ideally suited for use in halide environments and widely used in the chemical, marine, oil and gas industries. Typical applications include pumps, valves, heat exchangers, flanges and manifolds.
Corrosion Resistance
UNS S31254 offers higher resistance to abrasion, erosion and cavitation erosion than other austenitic stainless grades such as 316. UNS S31254 has excellent resistance to corrosion in sea water and concentrated halide environments, with good resistance to crevice corrosion in seawater.
Welding
Stainless steel UNS S31254 is readily weldeable with welding procedures used for other austenitic stainless steel specifications. Welding should be carried out at the lowest heat possible as due to its austenite structure it can be prone to hot cracking. We recommend you contact your welding consumables supplier who should provide you full assistance and information on welding UNS S31254 stainless steel.
Typical Physical Properties
Temp °C
Density Kg/m³Mean Coefficientof Thermal Expansion

Modulus of Elasticicykg/mmElectricalResistivityΩmm²/mSpecific HeatJ/kgºC20 8.0 16x10-6 20000 0.5 500
![]() | |||||||||||||||||||||||||||||||||||||||||||||||||||||||||||||||||||||||||||||||||||||||||||||||||||||||||||||||||||||||||||||||||||||||||||||||||||||||||||||||||||||||||||||||||||||||||||||||||||||||||||||||||||||||||||||||||||||||||||||||||||||||||||||||||||||||||||||||||||||||||||||||||||||||||||||||||||||||||||||||||||||||||||||||||||||||||||||||||||||||||||||||||||||||||||||||||||||||||||||||||||||||||||||||||||||||||||||||||||||||||||||||||||||||||||||||||||||||||||||||||||||||||||||||||||||||||||||||||||||||||||||||||||||||||||||||||||||||||||||||||||||||||||||||||||||||||||||||||||||||||||||||||||||||||||||||||||||||||||||||||||||||||||||||||||||||||||||||||||||
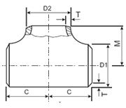
| Product name : stainless steel straight tee | |||||||||||||||||||||||||||||||||||||||||||||||||||||||||||||||||||||||||||||||||||||||||||||||||||||||||||||||||||||||||||||||||||||||||||||||||||||||||||||||||||||||||||||||||||||||||||||||||||||||||||||||||||||||||||||||||||||||||||||||||||||||||||||||||||||||||||||||||||||||||||||||||||||||||||||||||||||||||||||||||||||||||||||||||||||||||||||||||||||||||||||||||||||||||||||||||||||||||||||||||||||||||||||||||||||||||||||||||||||||||||||||||||||||||||||||||||||||||||||||||||||||||||||||||||||||||||||||||||||||||||||||||||||||||||||||||||||||||||||||||||||||||||||||||||||||||||||||||||||||||||||||||||||||||||||||||||||||||||||||||||||||||||||||||||||||||||||||||||||
| Item : buttweld-Tee | |||||||||||||||||||||||||||||||||||||||||||||||||||||||||||||||||||||||||||||||||||||||||||||||||||||||||||||||||||||||||||||||||||||||||||||||||||||||||||||||||||||||||||||||||||||||||||||||||||||||||||||||||||||||||||||||||||||||||||||||||||||||||||||||||||||||||||||||||||||||||||||||||||||||||||||||||||||||||||||||||||||||||||||||||||||||||||||||||||||||||||||||||||||||||||||||||||||||||||||||||||||||||||||||||||||||||||||||||||||||||||||||||||||||||||||||||||||||||||||||||||||||||||||||||||||||||||||||||||||||||||||||||||||||||||||||||||||||||||||||||||||||||||||||||||||||||||||||||||||||||||||||||||||||||||||||||||||||||||||||||||||||||||||||||||||||||||||||||||||
| Details : | |||||||||||||||||||||||||||||||||||||||||||||||||||||||||||||||||||||||||||||||||||||||||||||||||||||||||||||||||||||||||||||||||||||||||||||||||||||||||||||||||||||||||||||||||||||||||||||||||||||||||||||||||||||||||||||||||||||||||||||||||||||||||||||||||||||||||||||||||||||||||||||||||||||||||||||||||||||||||||||||||||||||||||||||||||||||||||||||||||||||||||||||||||||||||||||||||||||||||||||||||||||||||||||||||||||||||||||||||||||||||||||||||||||||||||||||||||||||||||||||||||||||||||||||||||||||||||||||||||||||||||||||||||||||||||||||||||||||||||||||||||||||||||||||||||||||||||||||||||||||||||||||||||||||||||||||||||||||||||||||||||||||||||||||||||||||||||||||||||||
| |||||||||||||||||||||||||||||||||||||||||||||||||||||||||||||||||||||||||||||||||||||||||||||||||||||||||||||||||||||||||||||||||||||||||||||||||||||||||||||||||||||||||||||||||||||||||||||||||||||||||||||||||||||||||||||||||||||||||||||||||||||||||||||||||||||||||||||||||||||||||||||||||||||||||||||||||||||||||||||||||||||||||||||||||||||||||||||||||||||||||||||||||||||||||||||||||||||||||||||||||||||||||||||||||||||||||||||||||||||||||||||||||||||||||||||||||||||||||||||||||||||||||||||||||||||||||||||||||||||||||||||||||||||||||||||||||||||||||||||||||||||||||||||||||||||||||||||||||||||||||||||||||||||||||||||||||||||||||||||||||||||||||||||||||||||||||||||||||||||
|
|
Reducer tee / stub end Cap But Weld Fittings UNS S31254 / ASTM A182 F44 / 254SMO / 1.4547 1/2” To 60” SCH10S To SCH160 Images |